Описание
| Производитель: | ТКА ПКМ, Россия |
Прибор предназначен для измерения полного светового потока светодиодов по методу “интегрирующей сферы” (“Сферы Ульбрихта”), в люменах.
Комплектация
- Измеритель светового потока “ТКА-КК1”
- Набор сменных диафрагм
- Элемент питания типа “Крона” (6F22)
- Руководство по эксплуатации
- Транспортная тара
Существенные преимущества Измерителя светового потока “ТКА-КК1” перед аналогами
- Прямых отечественных аналогов нет
- Простота и удобство в эксплуатации
- Определения значений в режиме реального времени
- Малое энергопотребление
- Доступная цена
Конструктивно прибор состоит из двух функциональных блоков. Диаметр сферы 140 мм, приёмник света – фотодиод, размещённый в нижней полусфере. Измерительный блок выполнен в виде шара на жёстком основании, шар является “интегрирующей сферой”. В нём имеется входной тубус для установки светодиодов диаметром до 14 мм и сменных диафрагм, входящих в комплект, для позиционирования светодиодов диаметрами 3, 5, 9 мм.
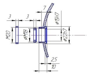
Интегрирующая сфера внутри окрашена белой, диффузно отражающей краской с коэффициентом отражения ρ = 96%. Геометрические размеры входного окна и посадочного места под измеряемый светодиод представлены на рисунке.

Технические характеристики
| Диапазон измерений светового потока | 1 ÷ 2 000 лм |
| Основная относительная погрешность измерений светового потока | ± 10,0 % |
Габаритные размеры прибора
| Измерительный блок (не более) | 130 х 70 х 30 мм |
| Измерительный шар (не более) | 180 х 180 х 180 мм |
| Диаметр входного окна под светодиод (не более) | 15,0 мм |
| Масса прибора (не более) | 2,0 кг |
| Элемент питания – типоразмер батареи «Крона» | 9 В |
Условия эксплуатации
| Температура окружающего воздуха | от 0 до +40 °С |
| Относительная влажность воздуха при температуре окружающего воздуха 25 °С | 65 ± 15 % |
| Атмосферное давление | 86 ÷ 107 кПа |
